世俱杯sjb官网
首页
学院概况
学院简介
现任领导
组织机构
系部中心
组织机构工作职责
师资队伍
党建工作
组织机构
规章制度
学习园地
纪检工作
本科生教育
教学管理文件
毕业设计/实习
宣传报道
常用下载
研究生教育
硕士点介绍
培养方案
导师风采
公示公告
招生信息
科学研究
科研动态
科研政策
学生工作
组织简介
新闻报道
学团荣誉
常用下载
招生就业
招生快讯
专业简介
培养方案
历年分数
师资力量
考研情况
就业情况
优质生源基地建设
走访企业、看望毕业生
毕业生资源表
常见问题解答
就业表格下载
宣传报道
联系我们
校友工作
实践实验
新闻动态
校企合作实践基地
理论学习
师资力量
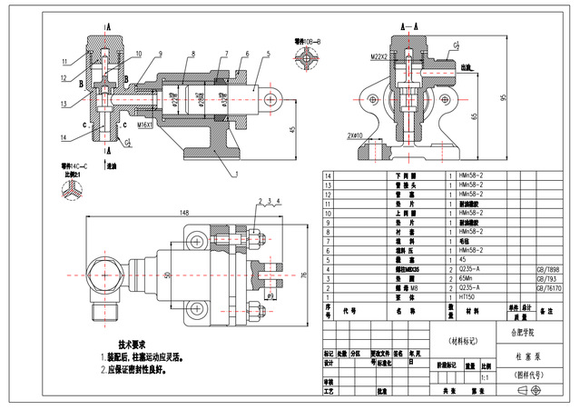
图1 装配图
发布者:先进制造工程学院
发布时间:2021-03-22
浏览次数:
291